Shure RKC800 舒尔接口套件 数字智能混合自动混合器

RKC800 XLR接口套件

数字智能混合自动混合器
使用RKC800 XLR接口套件,可将XLR和唱针接口连接至舒尔SCM810和SCM800话筒混音器。

RKC800
XLR Connector Kit
General Description
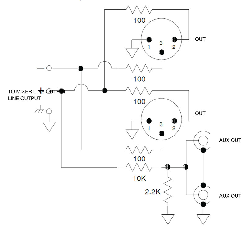
Use the Shure RKC800 XLR Connector Kit to connect XLR and phono pin connectors to Shure SCM810 and SCM800 Microphone Mixers. The RKC800 occupies a single rack space in a standard 483 mm (19-inch) width audio equipment rack. Its front panel contains eight latching XLR input connectors, two XLR output connectors, and gold-plated Aux In and Aux Out (two each) phono jacks. Input connectors from the RKC800 are hardwired, and Aux and Line Out connectors contain resistive circuitry (see Figure 2). Connecting cables are 61 cm (24 in.).
Installation

To mount an RKC800 adjacent to an SCM810 or SCM800 mixer in an audio equipment, proceed as follows.
Mount the RKC800 in the rack below the mixer using the supplied rack-mount screws and washers.
Set the mixer MIC/LINE switches to the appropriate level.
Connect the RKC800’s eight block terminal connectors (at the ends of the eight cables) to the matching terminal block connectors on the mixer’s rear panel. See Figure 1.
FIGURE 1: REAR PANEL CONNECTIONS
To use the AUX IN jacks, set the mixer’s rear-panel AUX/ D.O./D.O. switch (located behind the LINE OUTPUT connector) to AUX, and connect the RKC800 AUX IN cable to the mixer’s Channel 8/AUX IN jack.
Connect the RKC800 LINE OUT cable to the mixer’s LINE OUTPUT terminal block connector.
FIGURE 2

Specifications
Aux Output Impedance (actual):2 kΩ
Line Output Impedance (actual):200 Ω
Aux Input Level:-10 dBV nominal
Aux Output Level:-10 dBV nominal
Dimensions:44.5 mm x 483 mm x 66.7 mm (1/ x 19 x 2/in.) (H x W x D)
Net Weight:1.45 kg (3 lbs 3 oz.)